Severity: Notice
Message: Undefined variable: brand
Filename: controllers/
Line Number: 439
Backtrace:
File: D:\wwwroot\\application\controllers\
Line: 439
Function: _error_handler
File: D:\wwwroot\\
Line: 315
Function: require_once
获取短信验证码
按照型号/品牌搜索
按照尺寸搜索
精确查询
范围查询
6 9 |
( 6 )mm
( 7 )mm
( 8 )mm
( 9 )mm
19 30 |
( 19 )mm
( 22 )mm
( 24 )mm
( 26 )mm
( 30 )mm
10 NaN |
( 10.31 )mm
( — )mm
| PDF 下载 |
询价 | 轴承型号 |
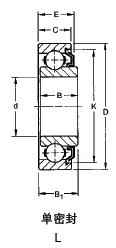
内径 d +000mm, -0.008mm |
外径 D +000mm, -0.009mm |
宽度 B1 |
宽度 0.00mm,-0.12mm |
圆角半径(1) | 密封圈 | 内圈偏心距(2) | 重量 |
额定静载荷 C0 |
增强的额定动载荷 CE(4) |
||||||
|---|---|---|---|---|---|---|---|---|---|---|---|---|---|---|---|---|---|---|
| 单密封圈 L |
单密封圈和防尘盖 LD |
双密封圈 LL |
内圈 B |
内圈 B2(3) |
外圈 C |
宽度 E |
宽度 P |
外径 k |
||||||||||
| 36KL | 36KLD | 36KLL | 6 | 19 | 10.31 | 9.80 | 14.27 | 8.00 | 0.3 | 9.60 | 10.87 | 16.7 | 0.50 | 0.014 | 865 | 2450 | ||
| 36KVL | — | — | 6 | 24 | 10.31 | 9.80 | — | 8.00 | 0.3 | 9.60 | — | 19.0 | 0.50 | 0.022 | 865 | 2450 | ||
| 37KL | 37KLD | 37KLL | 7 | 22 | 10.31 | 9.80 | 14.27 | 8.00 | 0.3 | 9.60 | 11.18 | 18.7 | 0.50 | 0.018 | 1400 | 3650 | ||
| 37KVL | 37KVLD | — | 7 | 24 | 10.31 | 9.80 | — | 8.00 | 0.3 | 9.60 | — | 19.0 | 0.50 | 0.022 | 1400 | 3650 | ||
| 38KL | 38KLD | 38KLL | 8 | 22 | 10.31 | 9.80 | 14.27 | 8.00 | 0.3 | 9.60 | 11.18 | 18.7 | 0.50 | 0.018 | 1400 | 3650 | ||
| 38KVL | 38KVLD | 38KVLL | 8 | 24 | 10.31 | 9.80 | 14.27 | 8.00 | 0.3 | 9.60 | 11.13 | 19.0 | 0.50 | 0.022 | 1370 | 3650 | ||
| — | — | 38KLL2 | 8 | 22 | — | — | 12.62 | 8.00 | 0.3 | — | 11.18 | 18.7 | — | 0.022 | 1370 | 3650 | ||
| — | — | 38KVLL2 | 8 | 24 | — | — | 12.62 | 8.00 | 0.3 | — | 11.13 | 19.0 | — | 0.022 | 1370 | 3650 | ||
| 39KL2 | 39KLD2 | — | 9 | 26 | 10.31 | 9.80 | — | 8.00 | 0.6 | 9.60 | — | 21.4 | 0.50 | 0.022 | 1960 | 5000 | ||
| — | 39KVLD | 39KVLL2 | 9 | 30 | — | — | 16.41 | 9.00 | 0.6 | — | 15.98 | 25.4 | 0.50 | 0.041 | 2650 | 6550 | ||
圆锥滚子轴承
单列圆锥滚子轴承 TS单列
带法兰单列圆锥滚子轴承 TSF带法兰单列
双外圈圆锥滚子轴承 TDO双外圈
双内圈圆锥滚子轴承 TDI双内圈
公制30000系列轴承
深沟球轴承
深沟球轴承
角接触轴承
单列角接触轴承
双列角接触轴承
调心滚子轴承
调心滚子轴承
紧定套
液压紧定套
退卸套
液压退卸套
锁紧螺母
防松垫圈
锁紧垫片
径向圆柱滚子轴承
公制系列径向单列圆柱滚子轴承(小内径)
标准系列径向单列圆柱滚子轴承
5200、A5200公制系列 径向单列圆柱滚子轴承
NCF型满滚子圆柱滚子轴承
NU型圆柱滚子轴承(大内径)
关节轴承
关节轴承
止推轴承
止推球轴承
止推角接触球轴承
止推调心滚子轴承
止推圆柱滚子轴承
止推交叉圆锥滚子轴承
止推圆锥滚子轴承
带冲压圈止推圆锥滚子轴承
附件
外圈垫片
内圈垫片
公制防松螺母、防松垫圈和凸缘垫圈
我们的专业技术人员会向你提供帮助。受理时间:09:00~18:00(周一~周五,不包括中国法定节)
邮件咨询:88888888
咨询电话:88888888
你可以点击下方的搜索框,搜索自己想要的轴承产品。
甘肃j9国际站登录有限公司
地址:
电话:88888888 / 88888888
传真:88888888
邮箱:88888888
甘肃j9国际站登录有限公司成立于2000年7月,是知名品牌,美国TIMKEN在西北地区授权的特约经销商, 同时公司还主营瑞典SKF、日本精工NSK等品牌轴承。我公司秉承以客户至上的服务宗旨,备有充足的现货库存,竭诚为广大客户提供优质廉价的轴承系列产品,提供技术先进的产品和支持服务。
版权所有:甘肃j9国际站登录有限公司
技术支持: 佰联轴承网
