A PHP Error was encountered

Severity: Notice

Message: Undefined variable: brand

Filename: controllers/

Line Number: 439

Backtrace:

File: D:\wwwroot\\application\controllers\
Line: 439
Function: _error_handler

File: D:\wwwroot\\
Line: 315
Function: require_once

d 50.800-52.388mm-甘肃j9国际站登录设备有限公司
全部商品分类
  • 尺寸,mm

  • 尺寸,mm d

    ( 50.800 )mm

    ( 50.800 )mm

    ( 50.815 )mm

    ( 51.592 )mm

    ( 52.000 )mm

    ( 52.388 )mm

  • 尺寸,mm D

    ( 85.000 )mm

    ( 88.900 )mm

    ( 89.980 )mm

    ( 90.000 )mm

    ( 92.075 )mm

    ( 93.264 )mm

    ( 95.250 )mm

    ( 96.838 )mm

    ( 98.425 )mm

    ( 100.000 )mm

    ( 104.775 )mm

    ( 107.950 )mm

    ( 110.000 )mm

    ( 111.125 )mm

    ( 112.712 )mm

    ( 114.300 )mm

    ( 117.475 )mm

    ( 120.650 )mm

    ( 122.238 )mm

    ( 123.825 )mm

    ( 127.000 )mm

  • 尺寸,mm T

    ( 19.050 )mm

    ( 20.000 )mm

    ( 20.638 )mm

    ( 21.750 )mm

    ( 22.225 )mm

    ( 24.608 )mm

    ( 24.750 )mm

    ( 25.000 )mm

    ( 26.988 )mm

    ( 27.783 )mm

    ( 27.795 )mm

    ( 30.162 )mm

    ( 33.338 )mm

    ( 34.130 )mm

    ( 35.000 )mm

    ( 36.512 )mm

    ( 38.100 )mm

    ( 38.108 )mm

    ( 41.275 )mm

    ( 43.658 )mm

    ( 44.450 )mm

    ( 50.800 )mm

d 50.800-52.388mm

产品参数
PDF
下载
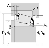
询价 尺寸,mm 额定载荷,N 轴承型号 轴承尺寸,mm 轴尺寸,mm 轴承座尺寸,mm 保持架 系数 重量kg
d D T 动载(1)
C1
系数(5)
e
系数(5)
Y
动载(2)
C90
动载(2)
Ca90
系数(5)
K
静载C0 内圈 外圈 B C a(3) 最大轴肩倒角半径
R(4)
轴肩直径
da
轴肩直径
db
最大挡肩倒角半径
r(4)
挡肩直径
Da
挡肩直径
Db
Aa Ab G1 G2 Cg
50.800107.95036.5121580000.401.4941000282001.45202000592005942536.51228.575-9.73.561.068.03.3101.093.03.401.3057.314.70.09991.52
50.800110.00027.7951260000.341.7932600187001.7416600045545429.31727.000-7.10.859.060.02.0100.096.02.201.4058.617.10.09461.36
50.800111.12530.162985000.880.6825500386000.66119000552005543726.90920.6387.13.564.071.03.3105.092.04.803.2036.813.20.10851.26
50.800111.12530.1621180000.880.6830600463000.6616100055200C5543726.90920.6387.63.564.571.03.3105.092.05.003.6048.715.40.11981.34
50.800111.12530.1621140000.880.6829500447000.66153000HM907643HM90761428.57520.6387.63.565.074.03.3105.091.04.602.0046.913.70.11831.34
50.800111.12538.1081260000.341.7932600187001.74166000455453629.31732.545-7.10.859.060.03.3100.093.02.201.4058.617.10.09461.63
50.800111.12538.1081260000.341.7932600187001.74166000455-S453629.31732.545-7.13.559.065.03.3100.093.02.201.4058.617.10.09461.63
50.800112.71230.1621550000.341.7740100233001.72224000395733952030.16223.812-6.60.861.062.03.3107.0101.01.602.6084.323.70.10741.51
50.800112.71230.1621550000.341.7740100233001.72224000395733952130.16223.812-6.60.861.062.00.8107.0103.01.602.6084.323.70.10741.52
50.800112.71230.1621550000.341.7740100233001.72224000395753952030.16223.812-6.63.561.068.03.3107.0101.01.602.6084.323.70.10741.50
50.800112.71230.1621550000.341.7740100233001.72224000395753952130.16223.812-6.63.561.068.00.8107.0103.01.602.6084.323.70.10741.51
50.800112.71230.162985000.880.6825500386000.66119000552005544326.90920.6387.13.564.071.03.3106.092.04.803.2036.813.20.10851.30

商品技术咨询

我们的专业技术人员会向你提供帮助。受理时间:09:00~18:00(周一~周五,不包括中国法定节)

邮件咨询:88888888

咨询电话:88888888