A PHP Error was encountered

Severity: Notice

Message: Undefined variable: brand

Filename: controllers/

Line Number: 439

Backtrace:

File: D:\wwwroot\\application\controllers\
Line: 439
Function: _error_handler

File: D:\wwwroot\\
Line: 315
Function: require_once

d 190.500-215.900mm-甘肃j9国际站登录设备有限公司
全部商品分类
  • 尺寸,mm

  • 尺寸,mm d

    ( 190.500 )mm

    ( 190.500 )mm

    ( 192.088 )mm

    ( 193.675 )mm

    ( 196.850 )mm

    ( 200.000 )mm

    ( 200.025 )mm

    ( 201.612 )mm

    ( 203.200 )mm

    ( 204.788 )mm

    ( 206.375 )mm

    ( 209.550 )mm

    ( 212.725 )mm

    ( 215.900 )mm

  • 尺寸,mm D

    ( 257.175 )mm

    ( 261.142 )mm

    ( 266.700 )mm

    ( 276.225 )mm

    ( 279.400 )mm

    ( 282.575 )mm

    ( 285.750 )mm

    ( 288.925 )mm

    ( 290.010 )mm

    ( 292.100 )mm

    ( 300.000 )mm

    ( 317.500 )mm

    ( 320.000 )mm

    ( 336.550 )mm

    ( 355.600 )mm

    ( 360.000 )mm

    ( 365.049 )mm

    ( 368.300 )mm

    ( 384.175 )mm

    ( 393.700 )mm

    ( 406.400 )mm

    ( 428.625 )mm

    ( 482.600 )mm

  • 尺寸,mm T

    ( 28.575 )mm

    ( 31.750 )mm

    ( 39.688 )mm

    ( 42.862 )mm

    ( 46.038 )mm

    ( 47.625 )mm

    ( 50.800 )mm

    ( 53.975 )mm

    ( 57.945 )mm

    ( 63.500 )mm

    ( 65.000 )mm

    ( 68.262 )mm

    ( 69.850 )mm

    ( 92.075 )mm

    ( 98.425 )mm

    ( 106.362 )mm

    ( 111.125 )mm

    ( 112.712 )mm

    ( 117.475 )mm

d 190.500-215.900mm

产品参数
PDF
下载
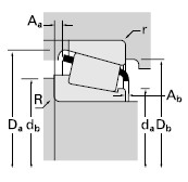
询价 尺寸,mm 额定载荷,N 轴承型号 轴承尺寸,mm 轴尺寸,mm 轴承座尺寸,mm 保持架 系数 重量kg
d D T 动载(1)
C1
系数(5)
e
系数(5)
Y
动载(2)
C90
动载(2)
Ca90
系数(5)
K
静载C0 内圈 外圈 B C a(3) 最大轴肩倒角半径
R(4)
轴肩直径
da
轴肩直径
db
最大挡肩倒角半径
r(4)
挡肩直径
Da
挡肩直径
Db
Aa Ab G1 G2 Gg
190.500336.55098.42511300000.581.042930002890001.012050000HH840249HH84021095.25073.025-5.66.4215.5234.06.4318.0290.014.505.1010901040.160535.46
190.500360.00092.07510800000.401.492800001930001.451820000EE42075142141788.89763.500-15.56.4218.0227.03.3334.5327.019.102.4011501280.145038.26
190.500365.04992.07510800000.401.492800001930001.451820000EE42075142143788.89763.500-15.56.4218.0227.03.3334.5329.019.102.4011501280.145039.68
190.500368.30092.07510800000.401.492800001930001.451820000EE42075142145088.89763.500-15.56.4218.0227.03.3334.5331.019.102.4011501280.145040.61
190.500428.625106.36212800000.760.793330004320000.771700000EE35075035168795.25061.91213.06.4237.0240.06.4383.0365.021.1016.0082877.30.156859.74
192.088266.70047.6253860000.481.2699900817001.22835000678876782046.83338.10010.210.5204.0223.03.3259.0246.05.101.807281470.13107.52
193.675282.57550.8003980000.421.44103000733001.41692000877628711147.62536.5123.83.5206.0211.03.3266.5261.08.802.605751310.11559.07
196.850257.17539.6882950000.451.3476400584001.31718000LM739749LM73971039.68830.16211.43.5206.0213.03.3251.0239.03.402.107622320.12965.26
196.850266.70039.6882950000.451.3476400584001.31718000LM739749LM73971939.68830.16211.43.5206.0213.03.3252.0243.03.402.107622320.12966.16
196.850317.50063.5006770000.521.151750001570001.121290000937759312563.50046.0387.94.3216.0223.03.3300.0286.09.204.209121260.146018.69
200.000300.00065.0006820000.521.151770001580001.121280000JHM840449JHM84041062.00051.0008.13.5215.0223.02.5289.0273.04.806.108541260.142815.39
200.025292.10057.9455880000.331.80152000868001.761170000M241543M24151057.94546.038- 4.83.5215.0219.03.3279.0272.04.802.009541280.127912.50

商品技术咨询

我们的专业技术人员会向你提供帮助。受理时间:09:00~18:00(周一~周五,不包括中国法定节)

邮件咨询:88888888

咨询电话:88888888