A PHP Error was encountered

Severity: Notice

Message: Undefined variable: brand

Filename: controllers/

Line Number: 439

Backtrace:

File: D:\wwwroot\\application\controllers\
Line: 439
Function: _error_handler

File: D:\wwwroot\\
Line: 315
Function: require_once

d 85.725-90.000mm-甘肃j9国际站登录有限公司
全部商品分类
  • 尺寸,mm

  • 尺寸,mm d

    ( 85.725 )mm

    ( 85.725 )mm

    ( 87.312 )mm

    ( 87.960 )mm

    ( 88.900 )mm

    ( 89.090 )mm

    ( 89.891 )mm

    ( 89.975 )mm

    ( 89.992 )mm

    ( 90.000 )mm

  • 尺寸,mm D

    ( 121.442 )mm

    ( 123.825 )mm

    ( 127.000 )mm

    ( 135.000 )mm

    ( 140.000 )mm

    ( 145.000 )mm

    ( 146.975 )mm

    ( 147.638 )mm

    ( 148.430 )mm

    ( 149.225 )mm

    ( 150.000 )mm

    ( 152.400 )mm

    ( 155.000 )mm

    ( 159.995 )mm

    ( 160.000 )mm

    ( 160.096 )mm

    ( 161.925 )mm

    ( 168.275 )mm

    ( 171.450 )mm

    ( 180.975 )mm

    ( 190.500 )mm

    ( 200.000 )mm

  • 尺寸,mm T

    ( 15.083 )mm

    ( 20.638 )mm

    ( 24.000 )mm

    ( 28.575 )mm

    ( 30.124 )mm

    ( 31.750 )mm

    ( 32.000 )mm

    ( 35.000 )mm

    ( 35.717 )mm

    ( 35.966 )mm

    ( 35.992 )mm

    ( 39.688 )mm

    ( 40.000 )mm

    ( 41.275 )mm

    ( 44.000 )mm

    ( 47.625 )mm

    ( 52.761 )mm

    ( 53.975 )mm

    ( 57.150 )mm

d 85.725-90.000mm

产品参数
PDF
下载
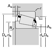
询价 尺寸,mm 额定载荷,N 轴承型号 轴承尺寸,mm 轴尺寸,mm 轴承座尺寸,mm 保持架 系数 重量kg
d D T 动载(1)
C1
系数(5)
e
系数(5)
Y
动载(2)
C90
动载(2)
Ca90
系数(5)
K
静载C0 内圈 外圈 B C a(3) 最大轴肩倒角半径
R(4)
轴肩直径
da
轴肩直径
db
最大挡肩倒角半径
r(4)
挡肩直径
Da
挡肩直径
Db
Aa Ab G1 G2 Gg
85.725161.92547.6253030000.341.7678500459001.7144100075875248.26038.100-11.93.597.0103.03.3150.0144.03.300.9017729.40.09454.23
85.725168.27541.2752450000.471.2863500512001.2438600067767241.27530.162-2.83.599.0105.03.3160.0149.05.002.0018237.20.10564.12
85.725168.27553.9753790000.302.0098200503001.9552200084183256.36341.275-18.53.597.0104.03.3155.0149.05.201.6019834.80.09375.24
87.312123.82520.638858000.331.8222200126001.77156000L217847L21781020.63816.6700.01.593.096.01.5119.0116.00.502.1011174.70.11520.77
87.312152.40039.6882000000.441.3651900392001.32319000596-S592A36.32230.162-2.53.597.0103.03.3144.0135.04.101.7015138.30.14162.81
87.312190.50057.1504940000.331.79128000734001.74692000HH221432HH22141057.53146.038-15.08.0103.0118.03.3179.0171.02.503.2026628.40.10728.17
87.960148.43028.5751510000.491.2239100330001.19241000423464258428.97121.4333.03.098.0103.03.0142.0134.02.803.0013037.20.13861.96
87.960149.22531.7501510000.491.2239100330001.19241000423464258728.97124.6083.03.098.0103.03.3143.0134.02.803.0013037.20.13862.10
88.900121.44215.083551000.331.811430080801.7788700LL217849LL21781015.08311.1123.01.594.097.01.5117.0115.00.502.0073.474.10.09960.47
88.900123.82520.638858000.331.8222200126001.77156000L217849L21781020.63816.6700.01.594.097.01.5119.0116.00.502.1011174.70.11520.74
88.900127.00020.638858000.331.8222200126001.77156000L217849L21781320.63819.0500.01.594.097.01.5121.0117.00.502.1011174.70.11520.85
88.900148.43028.5751510000.491.2239100330001.19241000423504258428.97121.4333.03.098.0104.03.0142.0134.02.803.0013037.20.13861.93

商品技术咨询

我们的专业技术人员会向你提供帮助。受理时间:09:00~18:00(周一~周五,不包括中国法定节)

邮件咨询:88888888

咨询电话:88888888