A PHP Error was encountered

Severity: Notice

Message: Undefined variable: brand

Filename: controllers/

Line Number: 439

Backtrace:

File: D:\wwwroot\\application\controllers\
Line: 439
Function: _error_handler

File: D:\wwwroot\\
Line: 315
Function: require_once

d 19.050-24.981mm-甘肃j9国际站登录有限公司
全部商品分类
  • 尺寸,mm

  • 尺寸,mm d

    ( 19.050 )mm

    ( 19.050 )mm

    ( 19.987 )mm

    ( 20.000 )mm

    ( 20.627 )mm

    ( 20.638 )mm

    ( 21.430 )mm

    ( 21.987 )mm

    ( 22.225 )mm

    ( 22.606 )mm

    ( 23.812 )mm

    ( 24.000 )mm

    ( 24.384 )mm

    ( 24.981 )mm

  • 尺寸,mm D

    ( 42.000 )mm

    ( 42.070 )mm

    ( 45.237 )mm

    ( 45.974 )mm

    ( 46.982 )mm

    ( 46.990 )mm

    ( 47.000 )mm

    ( 49.225 )mm

    ( 50.005 )mm

    ( 50.292 )mm

    ( 50.800 )mm

    ( 51.994 )mm

    ( 52.000 )mm

    ( 52.388 )mm

    ( 53.975 )mm

    ( 55.000 )mm

    ( 56.896 )mm

    ( 57.150 )mm

    ( 58.738 )mm

    ( 60.325 )mm

    ( 61.912 )mm

    ( 61.981 )mm

    ( 62.000 )mm

    ( 65.088 )mm

    ( 66.421 )mm

    ( 79.375 )mm

  • 尺寸,mm T

    ( 11.176 )mm

    ( 13.495 )mm

    ( 14.224 )mm

    ( 14.381 )mm

    ( 15.000 )mm

    ( 15.011 )mm

    ( 15.250 )mm

    ( 15.494 )mm

    ( 15.500 )mm

    ( 16.002 )mm

    ( 17.526 )mm

    ( 17.983 )mm

    ( 19.050 )mm

    ( 19.368 )mm

    ( 19.845 )mm

    ( 22.225 )mm

    ( 23.812 )mm

    ( 25.000 )mm

    ( 25.400 )mm

    ( 28.575 )mm

    ( 36.512 )mm

d 19.050-24.981mm

产品参数
PDF
下载
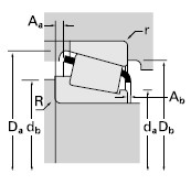
询价 尺寸,mm 额定载荷,N 轴承型号 轴承尺寸,mm 轴承座尺寸,mm 保持架 系数
d D T 动载(1)
C1
系数(5)
e
系数(5)
Y
动载(2)
C90
动载(2)
Ca90
系数(5)
K
静载C0 内圈 外圈 B C a(3) 最大轴肩倒角半径
R(4)
轴肩直径
da
轴肩直径
db
重量kg 最大挡肩倒角半径
r(4)
挡肩直径
Da
挡肩直径
Db
Aa Ab G1 G2 Gg
19.05053.97522.225430000.591.0211200113000.994250021075A2121221.83915.875-5.81.526.031.52.350.043.03.301.8073.550.05580.25
19.05056.89619.368420000.311.951090057401.90453001775172919.83715.875-6.91.525.027.01.351.049.01.900.3010.65.390.05210.27
19.98746.98214.381247000.361.68642039201.64254000507905185A14.38111.112-4.11.524.026.51.542.540.50.201.205.85.550.04480.12
19.98746.99015.250247000.361.68642039201.6425400050790518614.38112.000-4.11.524.026.51.542.540.50.201.205.85.550.04480.12
19.98747.00014.381247000.361.68642039201.6425400050790518514.38111.112-4.11.524.026.51.342.540.50.201.205.85.550.04480.12
19.98747.00014.381247000.361.68642039201.64254000507905185-S14.38111.112-4.11.524.026.51.542.540.50.201.205.85.550.04480.12
19.98751.99415.011270000.401.49699048101.452960007079X0720414.26012.700-2.81.526.027.51.348.045.00.301.407.67.070.05090.16
20.00042.00015.000257000.371.60666042601.5629400XAA32004XYAA32004X15.00012.000-4.62.025.529.01.039.536.50.401.406.26.10.04690.10
20.00051.99415.011270000.401.49699048101.4529600070790720414.26012.700-2.81.526.027.51.348.045.00.301.407.67.070.05090.16
20.62756.89619.368420000.311.951090057401.90453001778172919.83715.875-6.90.826.027.01.351.049.0**10.65.390.05210.26
20.63849.22519.845404000.321.861050057901.8143200125801252019.84515.875-7.11.526.028.51.545.542.50.901.108.66.210.04950.18
21.43050.00517.526408000.282.161060050302.1043500M12649M1261018.28813.970-6.41.327.529.51.346.044.00.301.109.15.630.04790.17

商品技术咨询

我们的专业技术人员会向你提供帮助。受理时间:09:00~18:00(周一~周五,不包括中国法定节)

邮件咨询:88888888

咨询电话:88888888