A PHP Error was encountered

Severity: Notice

Message: Undefined variable: brand

Filename: controllers/

Line Number: 439

Backtrace:

File: D:\wwwroot\\application\controllers\
Line: 439
Function: _error_handler

File: D:\wwwroot\\
Line: 315
Function: require_once

d 110.332-120.650mm-甘肃j9国际站登录有限公司
全部商品分类
  • 尺寸,mm

  • 尺寸,mm d

    ( 110.332 )mm

    ( 111.125 )mm

    ( 114.300 )mm

    ( 114.975 )mm

    ( 115.000 )mm

    ( 115.087 )mm

    ( 117.475 )mm

    ( 119.964 )mm

    ( 119.975 )mm

    ( 120.000 )mm

    ( 120.650 )mm

  • 尺寸,mm D

    ( 152.400 )mm

    ( 161.925 )mm

    ( 165.000 )mm

    ( 166.688 )mm

    ( 169.862 )mm

    ( 170.000 )mm

    ( 171.450 )mm

    ( 172.242 )mm

    ( 174.625 )mm

    ( 177.800 )mm

    ( 178.000 )mm

    ( 179.974 )mm

    ( 180.000 )mm

    ( 180.975 )mm

    ( 182.562 )mm

    ( 190.500 )mm

    ( 199.974 )mm

    ( 206.375 )mm

    ( 212.725 )mm

    ( 214.312 )mm

    ( 214.975 )mm

    ( 215.900 )mm

    ( 228.600 )mm

    ( 230.000 )mm

    ( 234.950 )mm

    ( 254.000 )mm

    ( 273.050 )mm

    ( 279.400 )mm

  • 尺寸,mm T

    ( 21.433 )mm

    ( 25.400 )mm

    ( 27.000 )mm

    ( 28.000 )mm

    ( 34.000 )mm

    ( 34.925 )mm

    ( 35.720 )mm

    ( 36.000 )mm

    ( 38.000 )mm

    ( 39.688 )mm

    ( 40.000 )mm

    ( 41.275 )mm

    ( 46.038 )mm

    ( 47.625 )mm

    ( 53.975 )mm

    ( 55.562 )mm

    ( 63.500 )mm

    ( 64.798 )mm

    ( 66.675 )mm

    ( 77.788 )mm

    ( 82.550 )mm

d 110.332-120.650mm

产品参数
PDF
下载
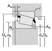
询价 尺寸,mm 额定载荷,N 轴承型号 轴承尺寸,mm 轴尺寸,mm 轴承座尺寸,mm 保持架 系数 重量kg
d D T 动载(1)
C1
系数(5)
e
系数(5)
Y
动载(2)
C90
动载(2)
Ca90
系数(5)
K
静载C0 内圈 外圈 B C a(3) 最大轴肩倒角半径
R(4)
轴肩直径
da
轴肩直径
db
最大挡肩倒角半径
r(4)
挡肩直径
Da
挡肩直径
Db
Aa Ab G1 G2 Gg
110.332171.45034.0001820000.471.2747300383001.24268000674346767530.16225.2684.63.5118.0124.03.3164.0156.03.402.1015250.50.09872.41
111.125171.45034.0001820000.471.2747300383001.24268000674376767530.16225.2684.63.5119.0125.03.3164.0156.03.402.1015250.50.09872.38
111.125190.50047.6253370000.421.4487300622001.40543000714377175049.21234.925-6.63.5123.0129.03.3181.0171.05.401.5026945.70.11565.36
111.125214.31255.5624350000.670.891130001300000.87610000H924045H92401052.38839.6886.93.5131.0139.03.3205.0186.06.603.4024632.20.12998.29
114.300152.40021.433924000.411.4523900169001.41188000L623149L62311021.43216.6706.41.5120.0123.01.5147.0143.01.101.601711020.14221.05
114.300177.80041.2752540000.521.1665900583001.13419000644506470041.27530.1621.33.5125.0131.03.3172.0160.05.302.0021945.30.11533.47
114.300178.00041.2752540000.521.1665900583001.134190006445064701X41.27530.1621.33.5125.0131.03.0172.0160.05.302.0021945.30.11533.48
114.300179.97441.2752540000.521.1665900583001.13419000644506470841.27530.1621.33.5125.0131.03.3173.0161.05.302.0021945.30.11533.61
114.300180.97541.2752540000.521.1665900583001.13419000644506471341.27530.1621.33.5125.0131.03.3173.0161.05.302.0021945.30.11533.68
114.300190.50047.6253370000.421.4487300622001.40543000714507175049.21234.925-6.63.5125.0132.03.3181.0171.05.401.5026945.70.11565.15
114.300206.37566.6755300000.331.84137000766001.7978600093893066.67553.975-19.87.0128.0141.03.3193.0184.06.701.2033939.70.11538.92
114.300212.72566.6755300000.331.84137000766001.7978600093893266.67553.975-19.87.0128.0141.03.3193.0187.06.701.2033939.70.11539.82

商品技术咨询

我们的专业技术人员会向你提供帮助。受理时间:09:00~18:00(周一~周五,不包括中国法定节)

邮件咨询:88888888

咨询电话:88888888