A PHP Error was encountered

Severity: Notice

Message: Undefined variable: brand

Filename: controllers/

Line Number: 439

Backtrace:

File: D:\wwwroot\\application\controllers\
Line: 439
Function: _error_handler

File: D:\wwwroot\\
Line: 315
Function: require_once

d 57.150-59.987mm-甘肃j9国际站登录有限公司
全部商品分类
  • 尺寸,mm

  • 尺寸,mm d

    ( 57.150 )mm

    ( 57.531 )mm

    ( 58.738 )mm

    ( 59.530 )mm

    ( 59.880 )mm

    ( 59.931 )mm

    ( 59.977 )mm

    ( 59.987 )mm

  • 尺寸,mm D

    ( 96.838 )mm

    ( 98.425 )mm

    ( 100.000 )mm

    ( 104.775 )mm

    ( 107.950 )mm

    ( 109.985 )mm

    ( 110.000 )mm

    ( 110.058 )mm

    ( 112.712 )mm

    ( 117.475 )mm

    ( 120.650 )mm

    ( 122.238 )mm

    ( 123.825 )mm

    ( 125.000 )mm

    ( 127.000 )mm

    ( 129.944 )mm

    ( 135.755 )mm

    ( 136.525 )mm

    ( 140.030 )mm

    ( 149.225 )mm

    ( 150.089 )mm

    ( 152.400 )mm

  • 尺寸,mm T

    ( 21.000 )mm

    ( 21.433 )mm

    ( 22.000 )mm

    ( 25.400 )mm

    ( 26.967 )mm

    ( 27.783 )mm

    ( 27.795 )mm

    ( 29.751 )mm

    ( 30.162 )mm

    ( 32.558 )mm

    ( 33.338 )mm

    ( 36.512 )mm

    ( 38.100 )mm

    ( 41.275 )mm

    ( 44.450 )mm

    ( 53.975 )mm

d 57.150-59.987mm

产品参数
PDF
下载
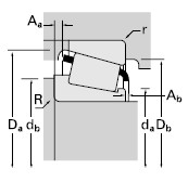
询价 尺寸,mm 额定载荷,N 轴承型号 轴承尺寸,mm 轴尺寸,mm 轴承座尺寸,mm 保持架 系数 重量kg
d D T 动载(1)
C1
系数(5)
e
系数(5)
Y
动载(2)
C90
动载(2)
Ca90
系数(5)
K
静载C0 内圈 外圈 B C a(3) 最大轴肩倒角半径
R(4)
轴肩直径
da
轴肩直径
db
最大挡肩倒角半径
r(4)
挡肩直径
Da
挡肩直径
Db
Aa Ab G1 G2 Gg
57.150104.77530.1621260000.341.7932600187001.74166000462453X29.31724.605-7.12.363.067.03.398.092.02.201.4058.617.10.09461.05
57.150104.77530.1621260000.341.7932600187001.74166000462A453X29.31724.605-7.12.368.067.03.398.092.02.201.4058.617.10.09461.04
57.150104.77530.1621260000.341.7932600187001.74166000469453X29.31724.605-7.13.563.070.03.398.092.02.201.4058.617.10.09461.04
57.150107.95027.7831260000.341.7932600187001.74166000462453A29.31722.225-7.12.363.067.00.8100.097.02.201.4058.617.10.09461.10
57.150107.95027.7831260000.341.7932600187001.74166000462453AS29.31722.225-7.12.363.067.02.3100.095.02.201.4058.617.10.09461.10
57.150107.95027.7831260000.341.7932600187001.74166000469453A29.31722.225-7.13.563.070.00.8100.097.02.201.4058.617.10.09461.10
57.150107.95032.5581260000.341.7932600187001.74166000462452A29.31727.000-7.12.363.067.03.3100.093.02.201.4058.617.10.09461.21
57.150110.00022.000916000.401.4923700163001.45125000390394A21.99618.825-0.82.366.070.01.3105.0101.01.702.305621.40.09840.94
57.150110.00022.000916000.401.4923700163001.45125000390394AS21.99618.825-0.82.366.070.03.3104.599.01.702.305621.40.09840.92
57.150110.00027.7951260000.341.7932600187001.7416600046245429.31727.000-7.12.363.067.02.0100.096.02.201.4058.617.10.09461.23
57.150112.71225.4001020000.491.2326500221001.20166000296652962025.40019.0501.03.569.075.03.3109.0101.02.301.5077.743.30.11701.21
57.150112.71226.967916000.401.4923700163001.45125000390392021.99623.812-0.82.366.070.03.3106.099.01.702.305621.40.09841.12

商品技术咨询

我们的专业技术人员会向你提供帮助。受理时间:09:00~18:00(周一~周五,不包括中国法定节)

邮件咨询:88888888

咨询电话:88888888